Skylink隔膜泵 3寸不锈钢特氟龙隔膜泵 SK80/3XAA/ETTT/DF0
来源:上海邦泉泵业制造有限公司 | 发布时间:2020-4-28 | 浏览次数:
上海邦泉泵业制造有限公司 原装正品供应SKYLINK气动隔膜泵,主要用于化学工业、电子、航运、汽车,采矿等行业。从金属泵LS15、LS25、LS40、LS50、LS80;金属泵LS25K、SK40、SK50、SK80;塑料泵PS15、PS25、PS40、PS50、PS80规格,以及供应每个型号泵的配件。
 
Skylink隔膜泵 3寸不锈钢特氟龙隔膜泵 SK80/3XAA/ETTT/DF0 SK80/3XAA/ETTT/0B0
 
SK80气动隔膜泵性能参数:
进气口口径:3/4”(内螺纹)
流体进口尺寸:3” (螺纹或法兰)
流体出口尺寸:3” (螺纹或法兰)
最大自由流量:988L/min(max)
工作流体压力:8.6Bar(120psi)(max)
输送颗粒直径:12mm(max)
压缩空气工作范围:1.4-8.9Bar(20 to 130 psi)
 
SK80气动隔膜泵常见四种型号:
SK80/3AAA/NEPN/0B0
SK80/3IAA/NEPN/0B0
SK80/3XAA/NEPN/0B0
SK80/3AAA/EEEE/0B0
SK80/3IAA/EEEE/0B0
SK80/3XAA/EEEE/0B0
SK80/3AAA/ETTT/0B0
SK80/3IAA/ETTT/0B0
SK80/3XAA/ETTT/0B0
其中:0B0螺纹接口,DF0国标法兰接口,AF0美标法兰等。
 
这里我们对SKYLINK气动隔膜泵 SK80/3XAA/ETTT/DF0进行说明
1、泵体材质:Stainless steel
Equal to exceeding ASTM specification A743CF-BW forcorrosion resistant
iron chromium,iron chromium nickel,and nickel based alloy castings for general
applications. Commonly referred to as 316 Stainless Steel in the pump industry.
相当于或超过ASTM规范A743CF-BW,适用于一般用途的耐腐蚀的铬铁、铁铬镍和镍基
合金铸件。泵行业通常称为316不锈钢。
 
2、隔膜材质:Virgin PTFE聚四氟乙烯
Chemically inert,virtually impervious. Very few chemicals are known to chemically react
with PTFE; molten alkali metals, turbulent liquid or gaseous fluorine and few
fluorochemicals such as chlorine trifluoride or oxygen difluoride with ready liberate free
fluorine at elevated temperatures.
化学惰性,几乎完全不透水。很少有化学品可以与聚四氟乙烯发生化学反应;熔融的碱性
金属、湍流液体或气态氟,以及一些在温度升高时易释放的游离氟的氟代化学物质,如三
氟化氯或二氟化氧等会迅速腐蚀聚四氟乙烯。
 
SK80气动隔膜泵性能曲线:
Skylink斯凯力3寸SK80气动隔膜泵性能曲线
 
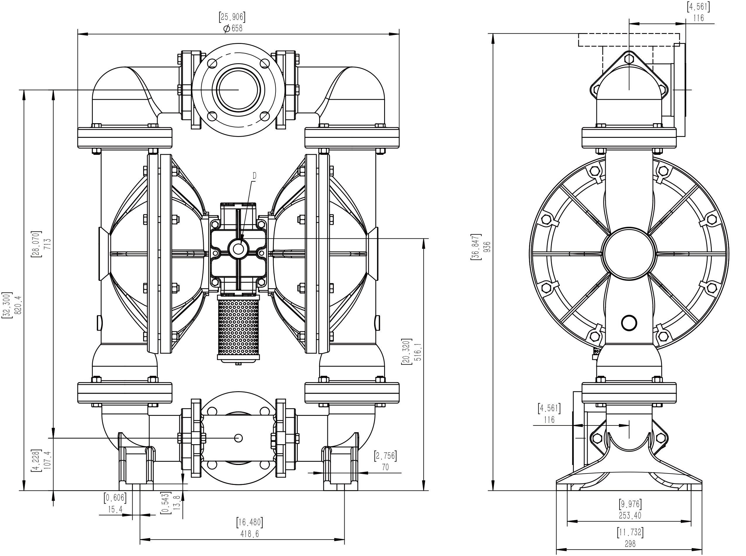
SK80气动隔膜泵外形尺寸(法兰接口或螺纹接口):
Skylink斯凯力3寸SK80气动隔膜泵法兰接口的外形尺寸图
 
SKYLINK PUMP斯凯力气动隔膜泵,咨询电话:021-57648032,上海邦泉泵业制造有限公司提供技术支持。
 
<> TAG:SK80/3XAA/ETTT/DF0,Skylink隔膜泵,3寸不锈钢特氟龙隔膜泵
 
打印本页 || 关闭窗口
 上一篇:Skylink 1.5寸气动隔膜泵 SK40/3AAA/EEEE/0B0
 下一篇:2BV2071真空泵 水环式真空泵 SKA-2071 抽气量110m3/h

Copyrights @ 上海邦泉泵业制造有限公司专业生产水泵,螺杆泵,隔膜泵 联系电话:021-57648032


网址:www.pumpbq.com 邮箱:sales@pumpbq.com 地址:上海市洋河浜路68号 上海水泵


沪ICP备13011057号-1 沪公网安备31011702889476